系统环境:WinAll大小:51.2MB
更新时间:2025-02-18版本号:1.0
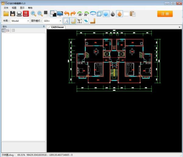
CAD迷你编辑器是一款小巧的DWG文件查看器,主要提供CAD DWG、DXF、DWT图纸的浏览、简易编辑与转换功能,使用本软件在可以在不用打开AutoCAD的情况下就可以轻松完成图形文件管理和浏览工作,可脱离AutoCAD浏览多张DWG和DXF图纸,有平移、缩放、打印、批注和保存转换版本等功能。CAD迷你编辑器是全新推出的非常小巧轻快、简洁易用的CAD画图工具。采用最新的云服务技术,可根据不同的DWG图纸,自动装载所需要的字体、字库及图形控件,解决了CAD看图工具打开DWG图纸时CAD字体、图形丢失的问题。
软件截图




1.双击打开已下载的电脑软件,选择同意,然后点击下一步安装

2.可以选择自定义安装,也可以选择默认安装路径

3.安装开始,耐心等待

4.安装完成,可以开始体验软件功能了

* 先下载360安全卫士,经检测安装CAD迷你编辑器
CAD迷你编辑器v1.0官方正式版